図面の見方あんしん住宅相談室。
第2種電気工事士⚡学科試験合格bot🌸 on X: "コンセントの図記号 https:t.co iGr2M3HFCt"X。
表記シール DM-LABEL コンセントカバー・ワイヤレス充電器用スガツネ工業。
第3回 器具に関する図記号。
第二種電気工事士 配線図。
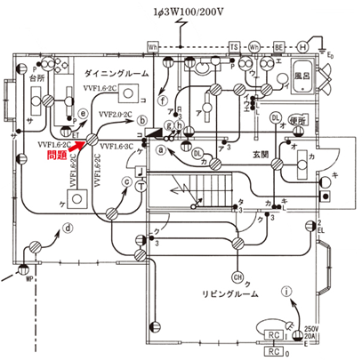
照明・スイッチ・コンセントの位置をチェック!~注文住宅は電気図の確認も重要!!~takumiの住宅・建築相談所。
電気屋が図と写真で説明!住宅 家 の電気屋内配線図面の見方電気エンジニアのツボ。
電気用図記号を覚えよう!オンライン個別指導のアスミラ。
三野岡 亮@消防設備士乙6通信講座販売中 on X: "電気工事士2種筆記試験まであと4日となりました。 配線図記号をフロント画面に持って来ています。是非ご覧になってください。 特にコンセントの所は要注意です!! https:t.co oSxxkTa1uF電気工事士2種筆記試験。
第二種電気工事士 技能試験で単線図から複線図を描くためのポイントまとめ 受験ノート- 電気の資格独学ブログ。
インテリアコーディネーター試験 電気設備の記号~コンセント~しかくしか。
電気工事士2種-筆記問題解説 コンセントの図記号 傍記表示 と外観問題の解き方 - ふくラボ電気工事士2種。
電気工事士 試験 JIS図記号 シンボル。
電気設備凡例図面としても利用可能な電気設備記号一覧のダウンロード。
アース付きコンセントの図面記号・意味CAD図や間取図の凡例解説サイト。
JISC0303:2000 構内電気設備の配線用図記号。
電気設備図の記号を教えてください。添付画像です。マルチメディアコンセントですが、- 教えて!住まいの先生 - Yahoo!不動産。
シンボル 電気記号 に手を加えたことありますか?電気設備工事屋さんのJwcad。
第二種電気工事士学科試験の4択クイズ コンセントの図記号。
電気CADなら電気図面作成ソフト「js楽打 電気」簡単操作ソフトリンク。
スイッチ・コンセントツール リリース – Vectorworks Design Blog。
CADで使える建築図面記号マイホームデザイナーシリーズ。
第二種電気工事士学科試験 で登場する , コンセントの図記号が示す刃受けはどれでしょう?, 詳しくはこちらの動画で 解説しております🙌,ぜひご覧ください📷 ,学科試験対策コンセントの種類, https:youtu.be oha59WayZ_A,電工試験の虎第二種電気工事士試験shorts電気工事士試験勉強。
第二種電気工事士 コンセントの図記号一覧 学科試験 でんブロ電気工事の専門サイト。
スイッチ・コンセントツール 2022無償提供プラグイン。
電気図面の見方を徹底解説!初心者でもわかる基本構成と読み方のコツ - スリーセンス株式会社。
照明・スイッチ・コンセントの位置をチェック!~注文住宅は電気図の確認も重要!!~takumiの住宅・建築相談所。
電気図面の正しい読み方を解説!見るポイントや実務で使えるコツもソフトリンク。
間取り図はお部屋の教科書~マンション図面集の凡例記号でお部屋のすべてが分かるアルファジャーナル。
コラム042コンセントの配置は設計段階で決めておきます家山真建築研究室のブログライフスタイルをかたちに。
建築図面の基礎知識 電気図なんて記号の意味さえ分かれば超簡単!IEsaku注文住宅ラボー建築士と学ぶ失敗・後悔しない家づくり。
電気用図記号電源プラグはどちらが正しいですか - A:レセプタクル ジャ- Yahoo!知恵袋。
私の家ができるまで⑧電気図面で混乱八千代市・千葉市の注文住宅・リノベーションならアールプラスDM。
第二種電気工事士 コンセントの図記号一覧 学科試験 でんブロ電気工事の専門サイト。
一条工務店 電気図面の理解を深めよう!一条工務店に決めた。
この記号ってなんだろう?🤔🔰 電気配線の打ち合わせ時によく使う 記号の一部をまとめました☝✨ 電気図面にいーっぱい表記してあるよ!!🔌🔦💡一度決まると後戻りできない電気配線😭 細部までこだわって一緒に計画しましょう! このほかにもたくさん図面には記号が使。
アース付きコンセントの図面記号・意味CAD図や間取図の凡例解説サイト。
住宅の電気配線図の記号一覧と見方、チェックポイント住宅設備・建材の選び方All About。
配線図記号一覧 電気工事士向け │電気の神髄。
コンセントの記号一覧 種類・意味・見分け方を解説!第二種電気工事士試験対策にも!工事士.com。
ELEPLAN TECH — コンセントのシンボル。
建築図面の基礎知識 電気図なんて記号の意味さえ分かれば超簡単!IEsaku注文住宅ラボー建築士と学ぶ失敗・後悔しない家づくり。
電気工事の建築図面解説~コンセント記号編コンセントの電気工事特集。
電気用図記号、電気記号パーツ エクセル ワードフリー素材、無料素材のDigipot。
ELEPLAN TECH — コンセントのシンボル。
第3回 器具に関する図記号。
建築図面の基礎知識 電気図なんて記号の意味さえ分かれば超簡単!IEsaku注文住宅ラボー建築士と学ぶ失敗・後悔しない家づくり。
第2種電気工事士試験の計算は捨てろ!: 図記号を覚えよう②。
コンセント記号一覧!電気図面記号やアウトレットの配線器具記号一覧も。
設備図面 電気図・機械図 の代表的な記号一覧種類ごとに紹介。
設備図面記号~電気設備編~解決!建築設備。
電気図面記号一覧 CADデータCAD素材.com。
電気設備シンボル一覧電気工事用 埼玉東京の電気工事はOkaDenへ。
電気用図記号と回路図の書き方。