リョービ ドアクローザー 外し方 (325 無料画像)

リョービ S-202P シルバー ブロンズ 取替用ドアクローザー パラレル型 交換 取替 ストップ付 ドア重量45kg以下 ドア幅600mm以下木製ドア。

×

ドアクローザーの交換を自分でやる手順~選び方から動画で解説~レスキューラボ。

RYOBI 室内用ドアクローザードアクローザーの調整・交換・ご購入はDr.クローザへ。

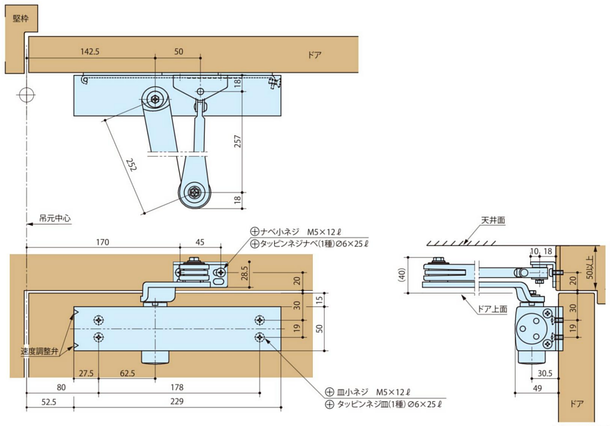
スタンダード型_リョービ「取替用ドアクローザ」の取り付け手順。

リョービ Ryobiドアクローザー COU-153R RYOBI製ドアクローザー選び方と外し方を取説で完全解説 - YouTube。

BK1004P 標準ブラケット・段付きアーム❘ ドアクローザー ❘ リョービ RYOBI– イブニーズ.com- 建築金物 ドア・窓・サッシ金物 の販売・専門店。

RYOBIリョービ 万能型取替用ドアクローザーS-203 スタンダード型 スチールドア用 左右勝手口に対応タケダ.net-金物から生活空間をかえる- Web発注システム。

交換の際に検討したいリョービのドアクローザー「ドアマン」鍵交換なら鍵の特急マスタ。

TOSTEM トステム高級玄関ドア 「ポルト23、ポルト20」ドアクローザー交換用 カラー:ブラック色のみ左右兼用 RYOBI リョービ ※本体のみの販売となります。LINEブランドカタログ。

ドアクローザーの交換を自分でやる手順~選び方から動画で解説~レスキューラボ。

ドアクローザー交換ガイド油漏れ・異音トラブルへの対処法と注意点。

取替用ドアクローザー S-202Pリョービ RYOBI– イブニーズ.com- 建築金物 ドア・窓・サッシ金物 の販売・専門店。

YKK AP YKKAP交換用部品 ドアクローザ HH-3K-16616 の後継品 リョービ 取替用ドアクローザー パラレル型 S203P :ノース&ウエスト - 通販 - Yahoo!ショッピング。

取替用ドアクローザにお取り替えする方法ドアクローザについてお取り替えに関する情報商品知識建築用品RYOBIリョービ 株式会社。

リョービのドアクローザーの型番はどうやって確認する?型番が必要になるタイミングも併せて紹介! - 山口と佐賀の窓 ガラス、サッシ ×ドア 修理専門店窓店 マドミセ。

交換不可の実例ドアクローザーの調整・交換・ご購入はDr.クローザへ。

ドアクローザの外し方 - 鍵の卸売りセンター 本店。

ストップ装置の種類と調整方法ドアクローザについてドアクローザの調整方法商品知識建築用品RYOBIリョービ株式会社。

リョービ ドアマンdoormanドアクローザー屋内用 開閉力調整機能付S-101PV パラレル型 ストップ付ホワイト アイボリー ライトブラン チョコ ブラック│金物ショップタケダ建具金物、店舗金物、家具金物、スライドレール、引戸クローザー、スライド丁番通販。

スタンダード型_リョービ「取替用ドアクローザ」のストップ機能設定方法。

台東区キー助がドアクローザー交換・修理や故障したドアチェック取り替え。

ドアクローザの取り外し手順 パラレル型ドアクローザについてお取り替えに関する情報商品知識建築用品RYOBIリョービ 株式会社。

玄関扉のドアクローザーを自分で交換・取り付けする方法 リョービ取替用ドアクローザーのDIY取り替え例金のなる木で大家生活。

リョービ取替用ドアクローザーの選び方 購入前の注意点・型番・取付寸法の調べ方まとめ金のなる木で大家生活。

楽天市場 RYOBI リョービ162P162PJR702P 交換用ドアクローザーキット : マニアックホームセンタ。

楽天市場土日祝発送可全国送料無料 リョービ S-203P シルバー・ブロンズ パラレル型 万能取替 左右兼用 ドアクローザー ドアチェック交換 取替 スチールドア RYOBI S203P楽天倉庫発送: TK HOPE 楽天市場店。

ドアクローザーは自分で交換できる!具体的な方法と工事費用の相場を紹介 - くらしのマーケットマガジン。

RYOBI MIWA NHNなどの取替交換に リョービ取替用ドアクローザー S-202P シルバー色、ブロンズ色 : TMKオンラインショップ -通販 - Yahoo!ショッピング。

ドアクローザーの外し方ドアクローザーの調整・交換・ご購入はDr.クローザへ。

RYOBI 20シリーズ、1000シリーズ」ドアクローザー取り付け動画本体取付ネジが見えないタイプ- スパナバージョン - YouTube。

コンシールド ドアクローザのタイプコンシールド ドアクローザについてコンシールド ドアクローザの基礎知識商品知識建築用品RYOBIリョービ株式会社。

ドアクローザーの交換方法 – ホームセンタームサシ。

同じ商品もしくは後継商品とお取り替えする方法ドアクローザについてお取り替えに関する情報商品知識建築用品RYOBIリョービ株式会社。

取替用ドアクローザー S-202リョービ RYOBI– イブニーズ.com- 建築金物 ドア・窓・サッシ金物 の販売・専門店。

取り付け時の注意事項ドアクローザーの調整・交換・ご購入はDr.クローザへ。

ドアクローザーは自分で交換できる!具体的な方法と工事費用の相場を紹介 - くらしのマーケットマガジン。

リョービ Ryobiドアクローザー COU-153R RYOBI製ドアクローザー選び方と外し方を取説で完全解説 - YouTube。

調整できなくなったドアクローザーをリョービ製に交換 取付方法解説。

ドアクローザの取り外し手順 パラレル型ドアクローザについてお取り替えに関する情報商品知識建築用品RYOBIリョービ 株式会社。

RYOBI MIWA NHNなどの取替交換に リョービ取替用ドアクローザーS-202P RYOBI シルバー色、ブロンズ色。

ドアマン S-102P ❘ ドアクローザー ❘ リョービ RYOBI– イブニーズ.com- 建築金物 ドア・窓・サッシ金物 の販売・専門店。

旧型ドアクローザーを交換 RYOBI 取替用ドアクローザーグロービート松本有限会社。

RYOBI 取替用ドアクローザー S-202P S-203P 金森金物店。

交換不可の実例ドアクローザーの調整・交換・ご購入はDr.クローザへ。

ウェブサイトでの他の写真:

リョービ ドアクローザー 外し方