モーターのしくみモーター修理・コイル製作の事なら岡山県倉敷市の坂本製作所へ。
モータの種類モータ・応用製品 豆知識モータ・応用製品富士電機。
モーターのベアリング交換手順自然環境調査報告。
いまさら聞けない! NFPA基本の基本第5回 NFPA 2018年版改訂ポイント今までのモータ 用動力線が使えなくなる!?株式会社ケーメックス・オートメーション。
TMEIC モータ TMEIC モータ 知識。
モーターのベアリング交換手順自然環境調査報告。
モーターの構造とは?回転する原理や仕組み、広く利用される理由を解説TechWeb。
第十五回 三相誘導モータの場合ニデック株式会社。
S-PMシリーズ ギヤードモータ三菱電機 FA。
DCモータの基本構造と仕組みを図解解説 - ユニテック株式会社。
モーター分解掃除』 京セラ インダストリアルツールズ LM-2810 のクチコミ掲示板 - 価格.com。
モータとは?サーボモータ製品・ソリューション安川電機。
プレミアム効率IE3シリーズ ギヤードモータ三菱電機 FA。
ブラシ付き 直流モータの構造ニデック株式会社。
セルモーター スターティングモーター 分解図 : 満天☆の海-2。
玉名製作所:BF形 ギヤードモータ 内部構造図 BF23~BF28。
スターターモーター分解Ax1sのブログAx1sのページ - みんカラ。
縦置式モーターギア減速機 GFMシリーズ - 鋭格の立形歯車減速機付モータ。
starter00.gif。
掘削機-ニュース-厦門Litengエンジニアリング機械株式会社の旋回モーターの分解。
1-2. ACモーターの構造ACモーターの基礎オリエンタルモータ。
東芝 TKKH3-FCKLW21E-4P-30kw 400V 三相モータプレミアムゴールドモートル 屋外・全閉外扇形 フランジ取付30kW伝動機ドットコム。
dcモーター dcモーターの仕組みが分かる!分解して構造・動作の仕組みを徹底解説! 原理 │電気の館。
ステッピングモータ 基本構造と動作原理 - Technical College Applications by MOONS'。
防爆型高性能サーボモータ - ExDシリーズ日本ムーグ。
図解 DCモータとは?仕組みと構造、種類、ACモータとの違い。
ギヤードモータの特長と構造図通販モノタロウ。
各部品の説明製品情報マブチモーター株式会社。
三相交流かご形誘導モーターの原理・構造と運転特性ポンプの周辺機器モーノポンプ。
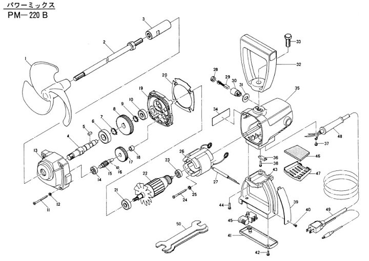
楽天市場東芝 ホルダー76838012図番No.3PM-220B.PMA-240用同等品: 工具のプロショップ「ふどう」。
マキタ マキタ 部品 629235-0 TD022D用 直流モーター : 高橋本社Yahoo!店 - 通販 - Yahoo!ショッピング。
セルモーター分解画像のご紹介店舗おススメ情報タイヤ館 にいがた弁天橋通り 新潟県。
基礎から学ぶサーボモータの仕組み富士電機。
防爆 モーター タイクウエアモータ株式会社 赤阪鐵工所。
図解 DCモータとは?仕組みと構造、種類、ACモータとの違い。
Bendixスターターモーターの分解図のイラスト素材・ベクター Image 161697728。
ステッピングモーターの構造技術資料オリエンタルモータ。
各部品の説明製品情報マブチモーター株式会社。
ダイレクトドライブモータの基礎知識CKD日機電装株式会社。
モータの色々 │ News Release。
大解剖! スターターモーターの仕組み:いまさら聞けない 電装部品入門 52 3 ページ- MONOist。
O.S.エンジン モーター分解図 CAR ENGINE PARTS 2022適合表。
ギヤードモータの特長と構造図通販モノタロウ。
マキタ マキタ 部品 直流モータ 629842-9 図番024 TD021D用 : 高橋本社Yahoo!店 - 通販 - Yahoo!ショッピング。
モーターの分解 写真素材3382549- フォトライブラリ。
ハイブリッド型ステッピングモーターの構造と動作原理ステッピングモーターについてTechWeb。
Mainte。
モータ部品石坂電器株式会社。
モータの種類モータ・応用製品 豆知識モータ・応用製品富士電機。
ブラシレスモーターとは?モーターの極数とスロット数、機械角と電気角、ホール素子 ホールIC についても解説第2話 スギケン現る!スーパーエンジニアへの第一歩TechWeb。
サーボモーター技術コラム 吐出の羅針学モーノディスペンサ。
モーターの中身を見てみようLet's Motorize。
図解 DCモータとは?仕組みと構造、種類、ACモータとの違い。
小型・高分解能・高剛性ハイブリッド型ステッピングモーター「25□ かく 1.8°」 外形寸法25mm角、ステップ角1.8度 の製品化 - ミネベアミツミ。
富士通ゼネラル製エアコン ディフューザーモーター交換修理。