モトラ12V化 整流化に挑戦 配線図ありINST-web。
ヘッドライトハーネス。
HONDA スーパーカブ C50 C70 配線図: 中古バイクパーツ通販・買取 ジャンクヤード鳥取 JunkYard。
スーパカブにバイクパーツセンターのヘッドライトバルブに装着交換の件たま男のスーパーカブ。
カブの12V化 レギュレーターレクチファィア編- 帯山の楓 ホンダ スーパーカブ50との日記。
カブを直そう! 下準備第2回ささかのブログ。
FCL 配線図 H4 Hi Lo。
ヘッドライトハーネス。
CT125イヂリ20 ヘッドライト交換時の配線 : MD馬鹿一代 LD版。
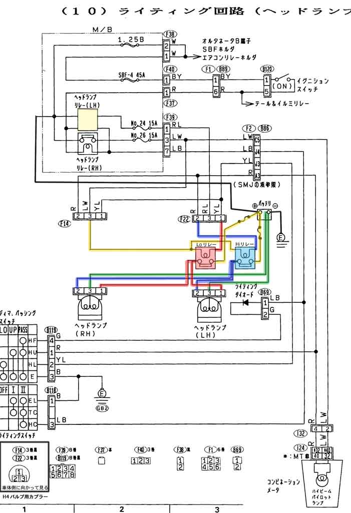
ヘッドランプ配線図。
ベンリィCD90配線図 HA-03 12V。
クロスカブ JA45 汎用ヘッドライトアダプターぶったまんのブログぶったまんのページ - みんカラ。
12v化行灯カブの配線についてヘッドライトOFF→テールランプ、メーター照- Yahoo!知恵袋。
投稿詳細MOTOCLE。
ホンダ 純正配線図 のパーツレビュースーパーカブ50 やすあこみんカラ。
H4 Hi Loの配線図はありますか?:よくある質問 HIDキットLEDヘッドライト販売のスフィアライト。
リトルカブ全波化レギュレーターの交換。
余剰電力はどうなってるの?菊地真のブログ菊地真のページ - みんカラ。
全整流と12V化 - 帯山の楓 ホンダ スーパーカブ50との日記。
ヘッドライトの加工スーパーカブのカスタムin京都モトブラン ブログ Moto-Blanc。
ヘッドランプ回路図。
Amazon.co.jp: スーパーカブ50 取扱説明書 配線図 ホンダ 正規 中古 バイク 整備書 整備情報 12137139 : 車&バイク。
こんにちわ♪ c100の前に通常の配線図描いたので、今回はレギュレータレクチファイアーで12v化の配線図を描くのに挑戦しました ^ω^変更した部分は紫色にしていますが、わかりにくければ申し訳ありません 電気関係の知識が全然無くて勉強中ですので間違えてたたらご。
バイクに補助ライト取り付け カブは足元が暗い- 人生のちょっとしたおススメ。
カブ110 カブのヘッドライト配線を解説 ja44- YouTube。
CT125イヂリ20 ヘッドライト交換時の配線 : MD馬鹿一代 LD版。
楽天市場web取説 > HID-H4配線図 : エフシーエル HID・LEDの専門店。
カブの配線が- 帯山の楓 ホンダ スーパーカブ50との日記。
Amazonプロテック PROTECヘッドライトコンバージョンハーネス CT125ハンターカブ JA55 JA65ダックス125 JB04 JB06HCH-H01 15228バイク電装用ハーネス・アーシング車&バイク。
ビギナーエンジン講座 - モンキーパーツの田中商会 バイクパーツ事業部 WEB本店。
カブプロ全波整流&直流化の配線で悩む、、、日々是道楽blog。
カブのテールライトをLED化しました。 – dyama's page。
配線の謎! - ひろさんのバイクいじり。
CT125イヂリ20 ヘッドライト交換時の配線 : MD馬鹿一代 LD版。
リトルカブ キャブ車 の配線について』 アウディ TT クーペ のみんなの質問。
ELM - LEDヘッドランプ。
スーパーカブの配線解説AA01 レストア&カスタム⑩。
ヘッドライトのカスタマイズ⑤配線編 室内側 トラブル発生〜 スバル エクシーガ クロスオーバー7・YA by のりパパ - みんカラ。
カブ90のウインカーとリレーとスイッチの配線方法が分かりません。車体番- Yahoo!知恵袋。
KandH。
ハイエース3型HIDから4型H4ハロゲンへフェイスチェンジへの道 作業編 その1 4灯ヘッドライトを2灯にするためのハーネス作成。
配線加工スーパーカブのカスタムin京都モトブラン ブログ Moto-Blanc。
スーパーカブで遊ぶ~中華エンジンその2 配線編人生楽しんでなんぼ ´ω` V。
C90配線図。
スーパーカブ110 プロ JA44 JA42 配線図有 サービスマニュアル。
ホンダ純正 オーデイブル パイロット COMP38401-187-701の取付方法 配線図 写真 動画有ありシーケンサ制御.com。
カブのヘッドライトは脈流だと思いますが・ - 俺の独り言を聞いてくれ。
カブにUSB給電ポートを付けました。その1 – dyama's page。
HA02カブ90DX改造計画 その11とりあえずやってみる。
カブの配線サイクル ラビット。
LED化する為の簡易直流化配線図** メモ代わりの投稿ですどうやらまともな回路ではないので参考程度にしてくださいね🥹もっと良い方法が有れば教えていただけると助かります。 早い話がジェネレーターから伸びる交流線 黄色線 をカットしてレギュレートレクチ。
JA07スーパーカブ110のヘッド直流化について - コンバーターを買いヘッド- Yahoo!知恵袋。